- صفحه اصلی
- دانلود دیتاشیت
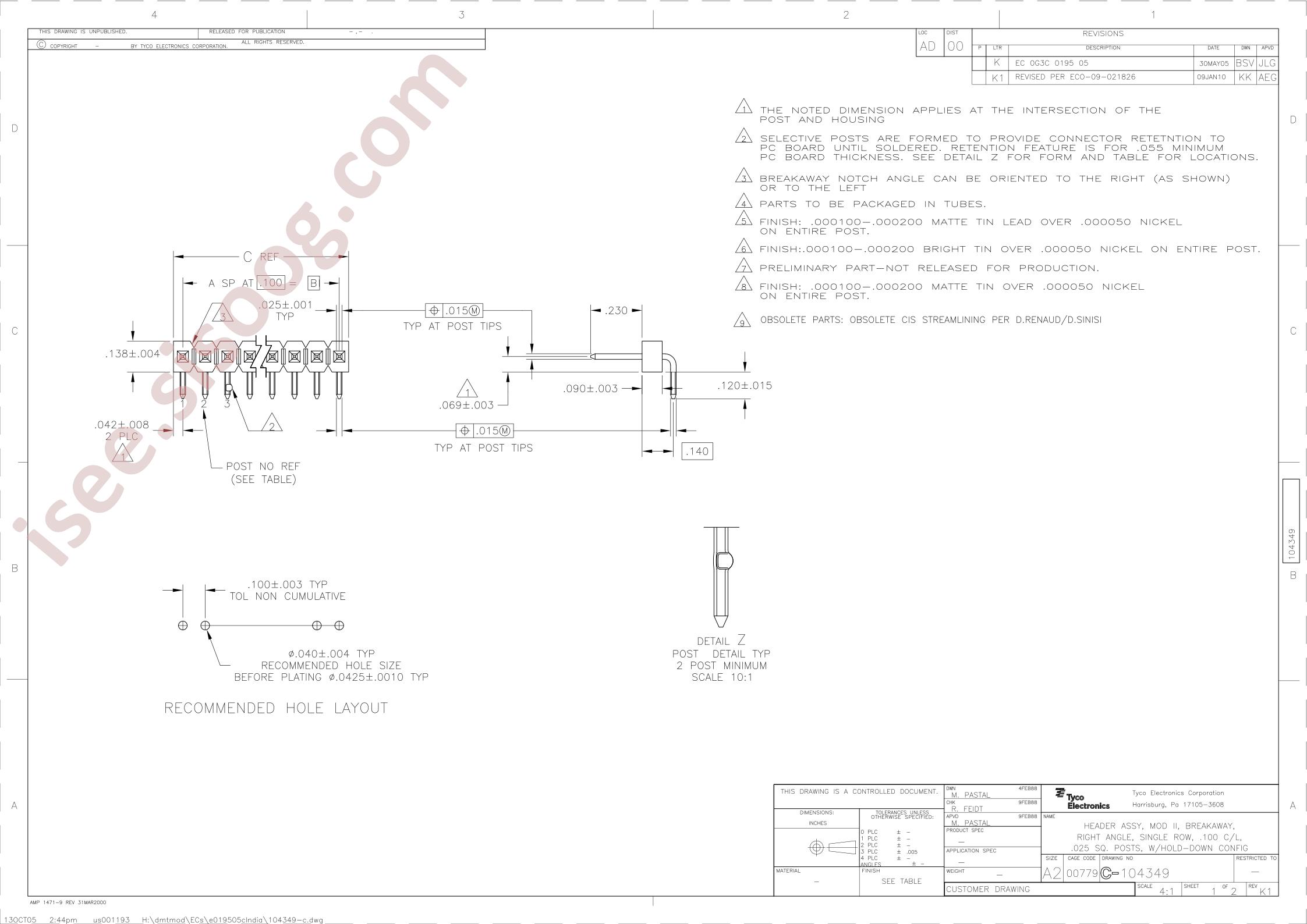
- دیتاشیت 6-104349-2
6-104349-2 دیتاشیت
مشخصات دیتاشیت
| نام دیتاشیت | 6-104349-2 |
|---|---|
| حجم فایل | 282.06 کیلوبایت |
| نوع فایل | |
| تعداد صفحات | 2 |
دانلود دیتاشیت 6-104349-2 |
دانلود دیتاشیت |
|---|
سایر مستندات
مستندات دیگری یافت نشد!
مشخصات فنی
- Manufacturer: MACOM
- Part id: 506210
