- صفحه اصلی
- دانلود دیتاشیت
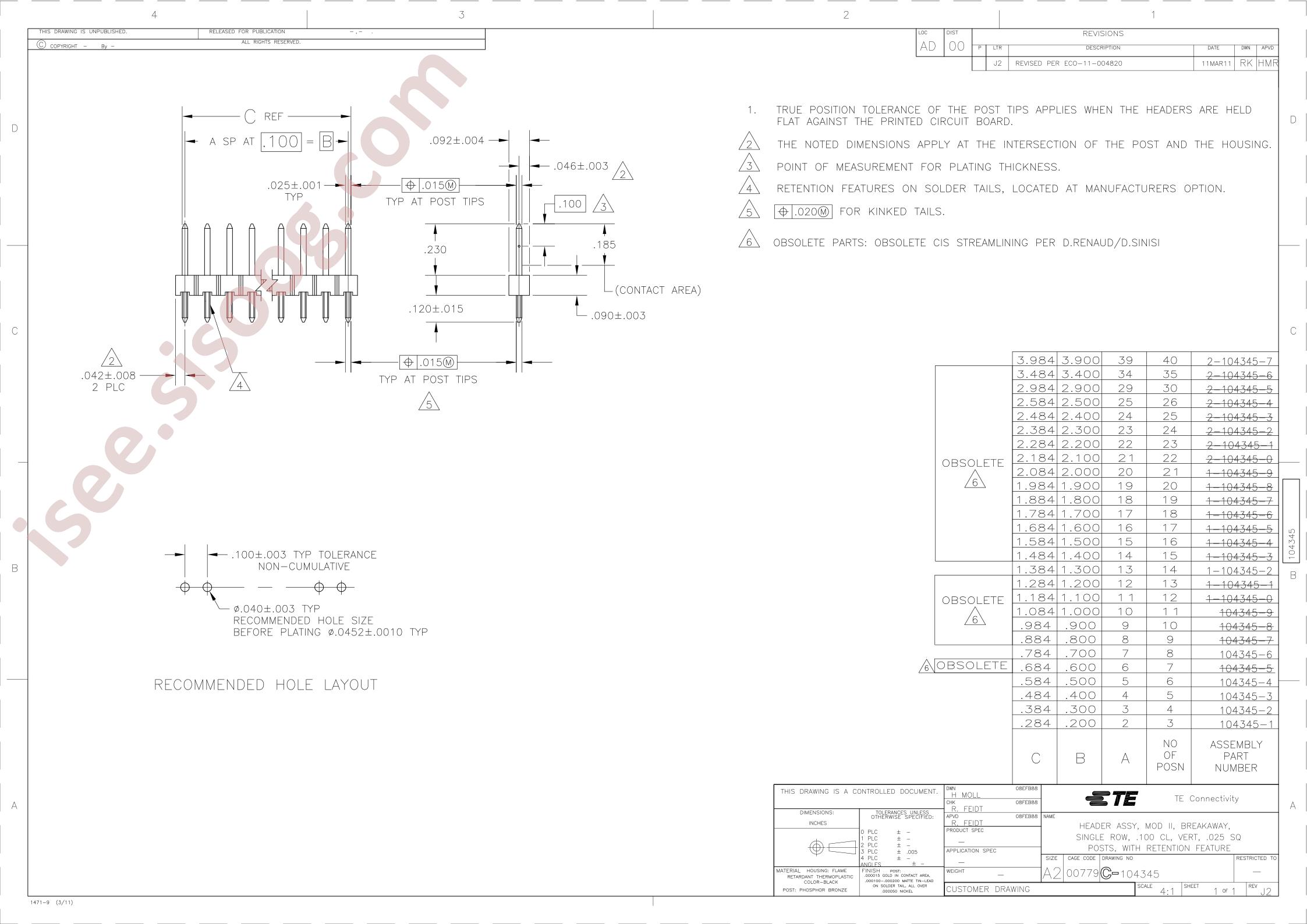
- 2-104345-1
2-104345-1 دیتاشیت
مشخصات دیتاشیت
| نام دیتاشیت | 2-104345-1 |
|---|---|
| حجم فایل | 108.025 کیلوبایت |
| نوع فایل | |
| تعداد صفحات | 1 |
دانلود دیتاشیت 2-104345-1 |
دانلود دیتاشیت |
|---|
سایر مستندات
مستندات دیگری یافت نشد!
مشخصات فنی
- Manufacturer: MACOM
- Part id: 498081
