- Home
- Download Datasheet
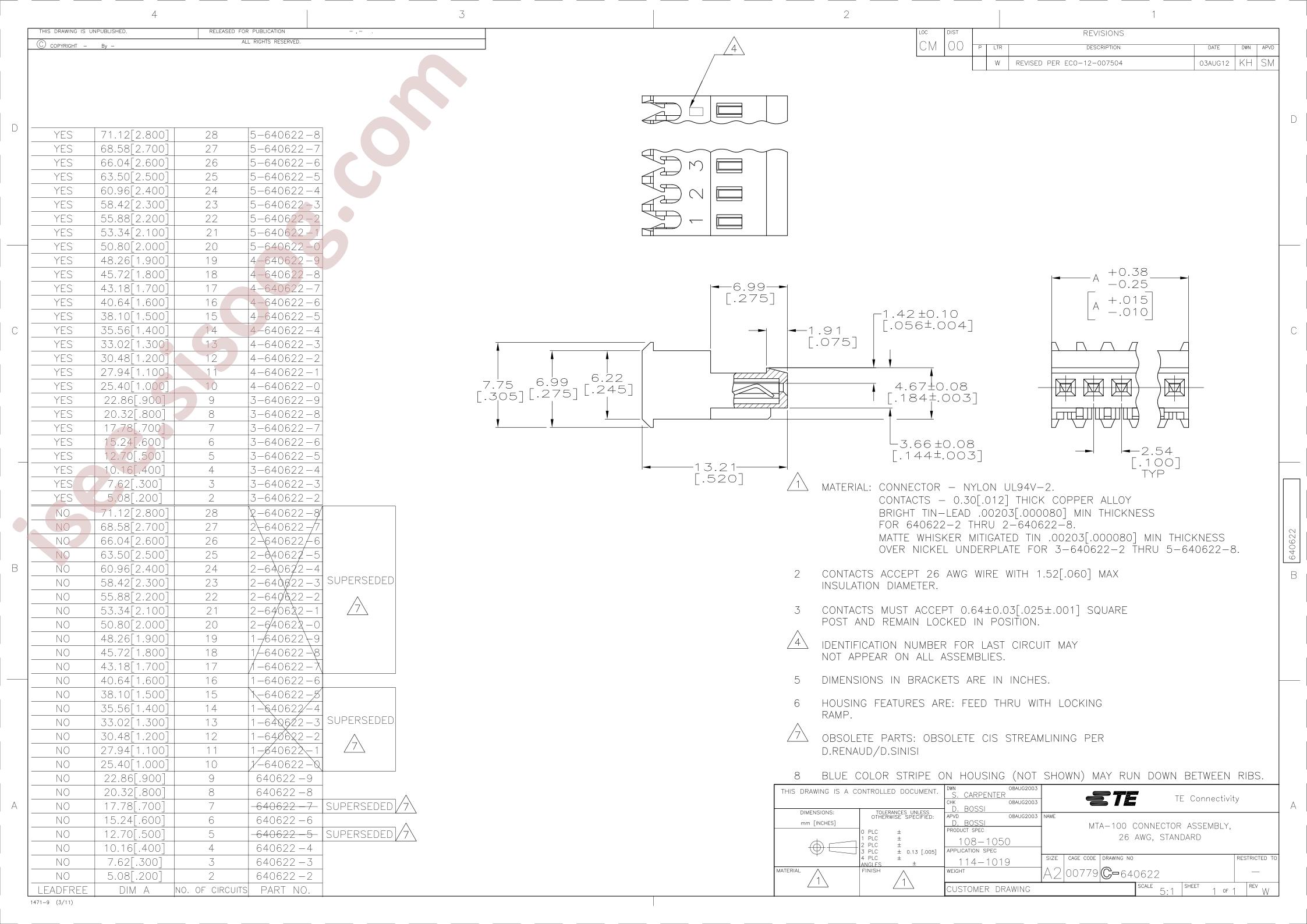
- 640622-6
640622-6 Datasheet
Datasheet specifications
| Datasheet's name | 640622-6 |
|---|---|
| File size | 150.081 KB |
| File type | |
| Number of pages | 1 |
Download Datasheet 640622-6 |
Download Datasheet |
|---|
Other documentations
No other documentation was found!
Technical specifications
- Manufacturer: MACOM
- Part id: 605079
