- Home
- Download Datasheet
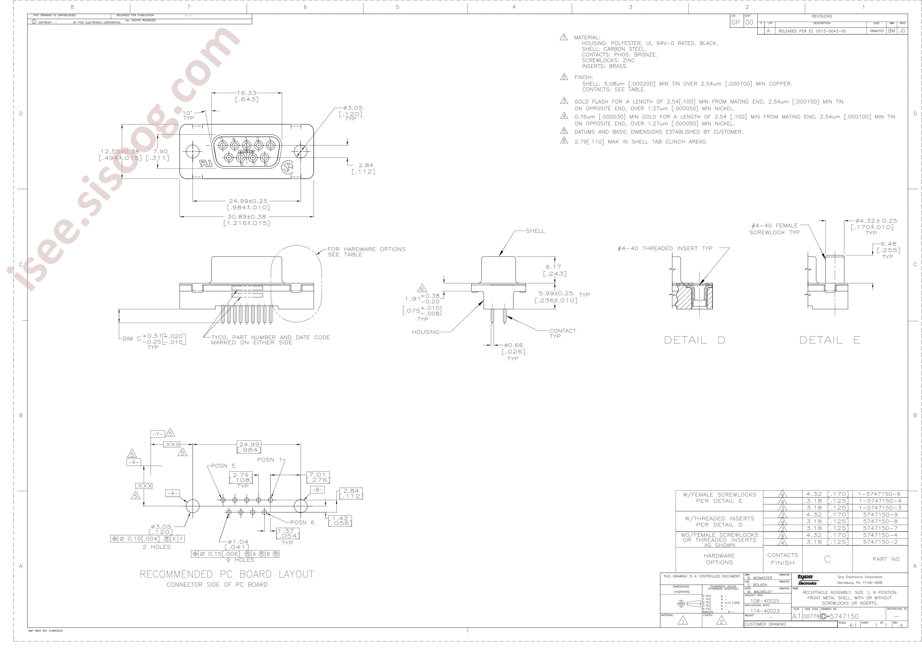
- 5747150-2
5747150-2 Datasheet
Datasheet specifications
| Datasheet's name | 5747150-2 |
|---|---|
| File size | 157.927 KB |
| File type | |
| Number of pages | 1 |
Download Datasheet 5747150-2 |
Download Datasheet |
|---|
Other documentations
No other documentation was found!
Technical specifications
- Manufacturer: MACOM
- Part id: 398255
