- صفحه اصلی
- دانلود دیتاشیت
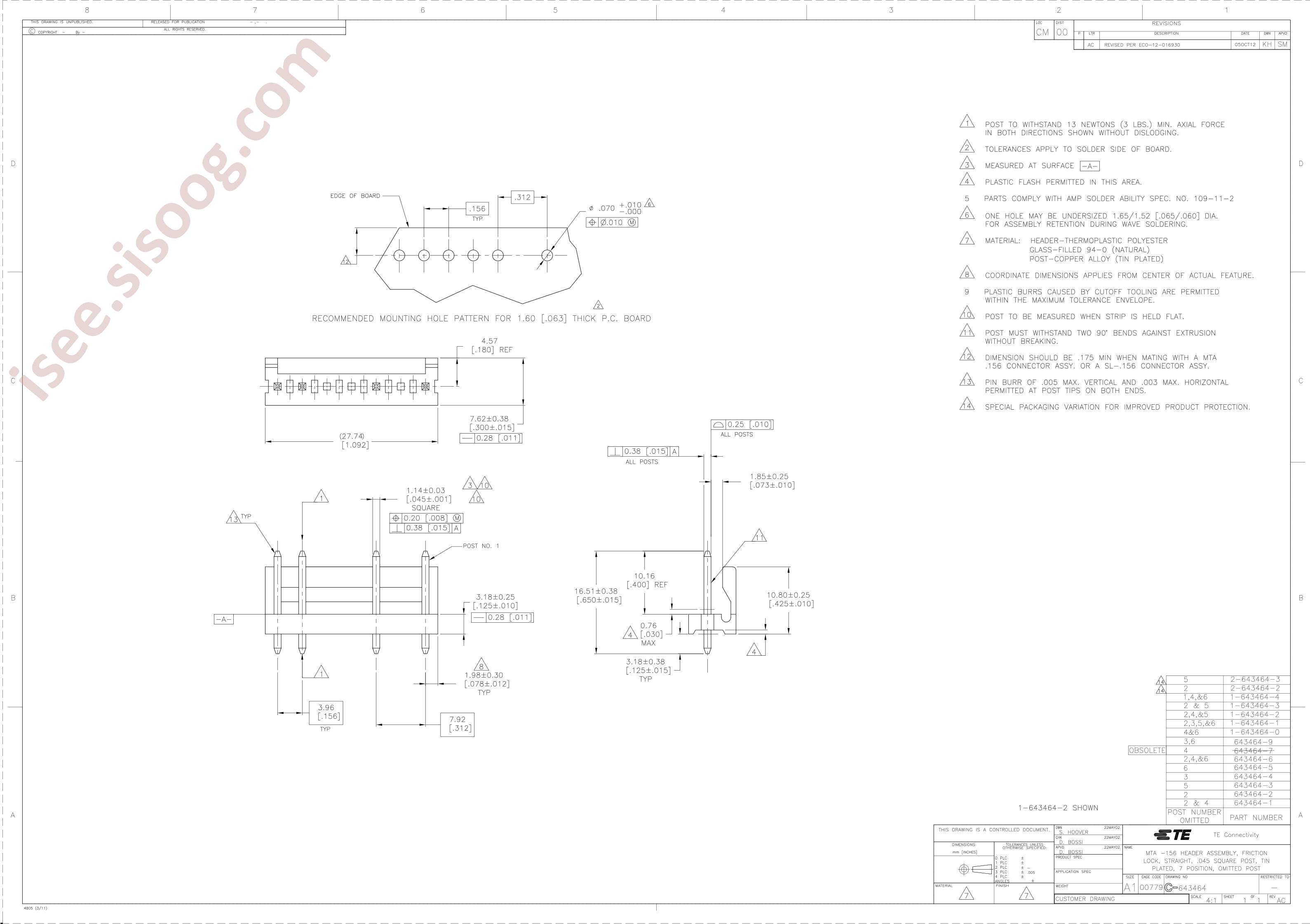
- دیتاشیت 1-643464-2
1-643464-3 دیتاشیت
مشخصات دیتاشیت
| نام دیتاشیت | 1-643464-2 |
|---|---|
| حجم فایل | 126.671 کیلوبایت |
| نوع فایل | |
| تعداد صفحات | 1 |
دانلود دیتاشیت 1-643464-2 |
دانلود دیتاشیت |
|---|
سایر مستندات
مستندات دیگری یافت نشد!
مشخصات فنی
- Manufacturer: MACOM
- Part id: 517446
