- صفحه اصلی
- دانلود دیتاشیت
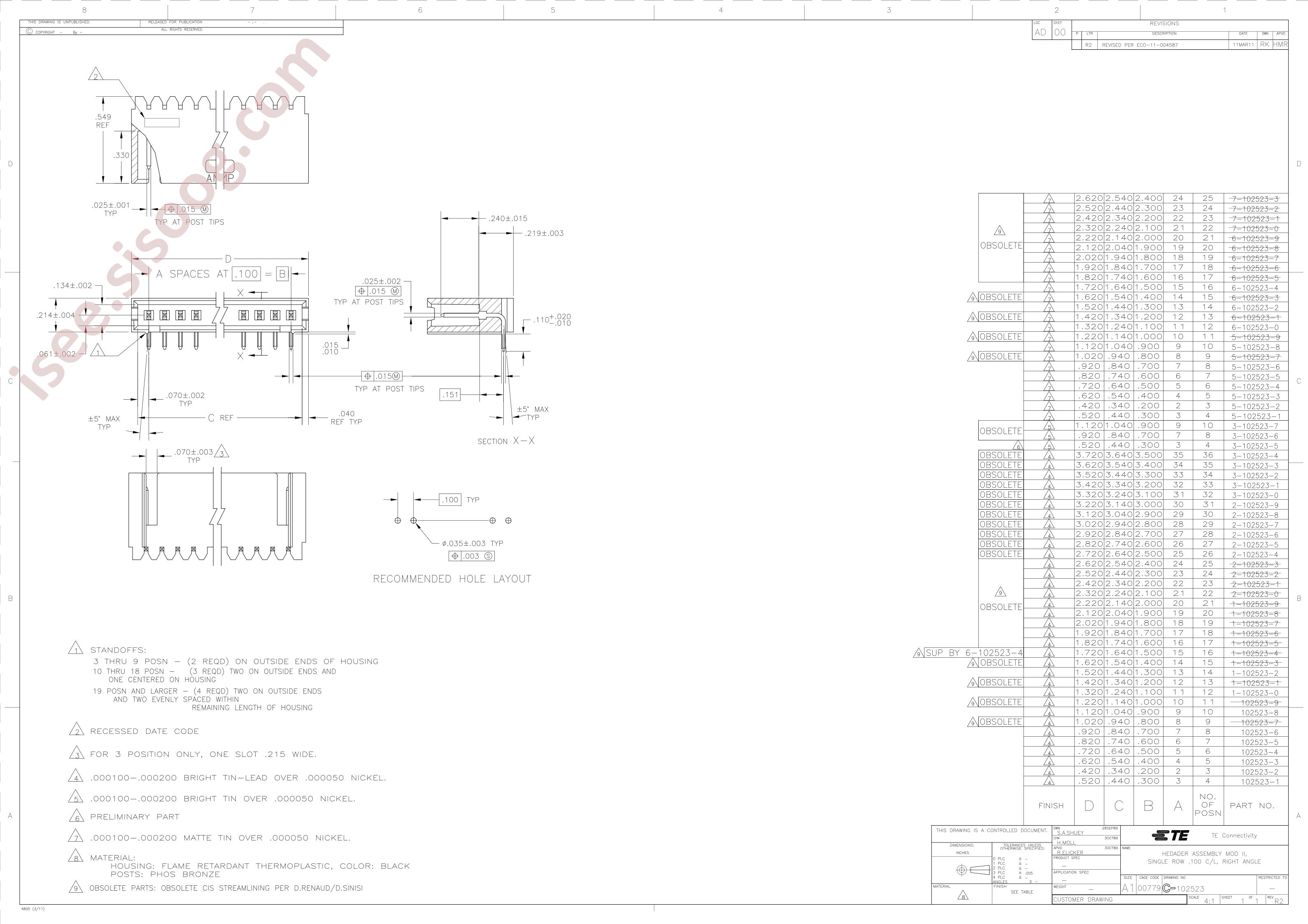
- دیتاشیت 1-102523-4
1-102523-4 دیتاشیت
مشخصات دیتاشیت
| نام دیتاشیت | 1-102523-4 |
|---|---|
| حجم فایل | 186.696 کیلوبایت |
| نوع فایل | |
| تعداد صفحات | 1 |
دانلود دیتاشیت 1-102523-4 |
دانلود دیتاشیت |
|---|
سایر مستندات
مستندات دیگری یافت نشد!
مشخصات فنی
- Manufacturer: MACOM
- Part id: 503782
