- صفحه اصلی
- دانلود دیتاشیت
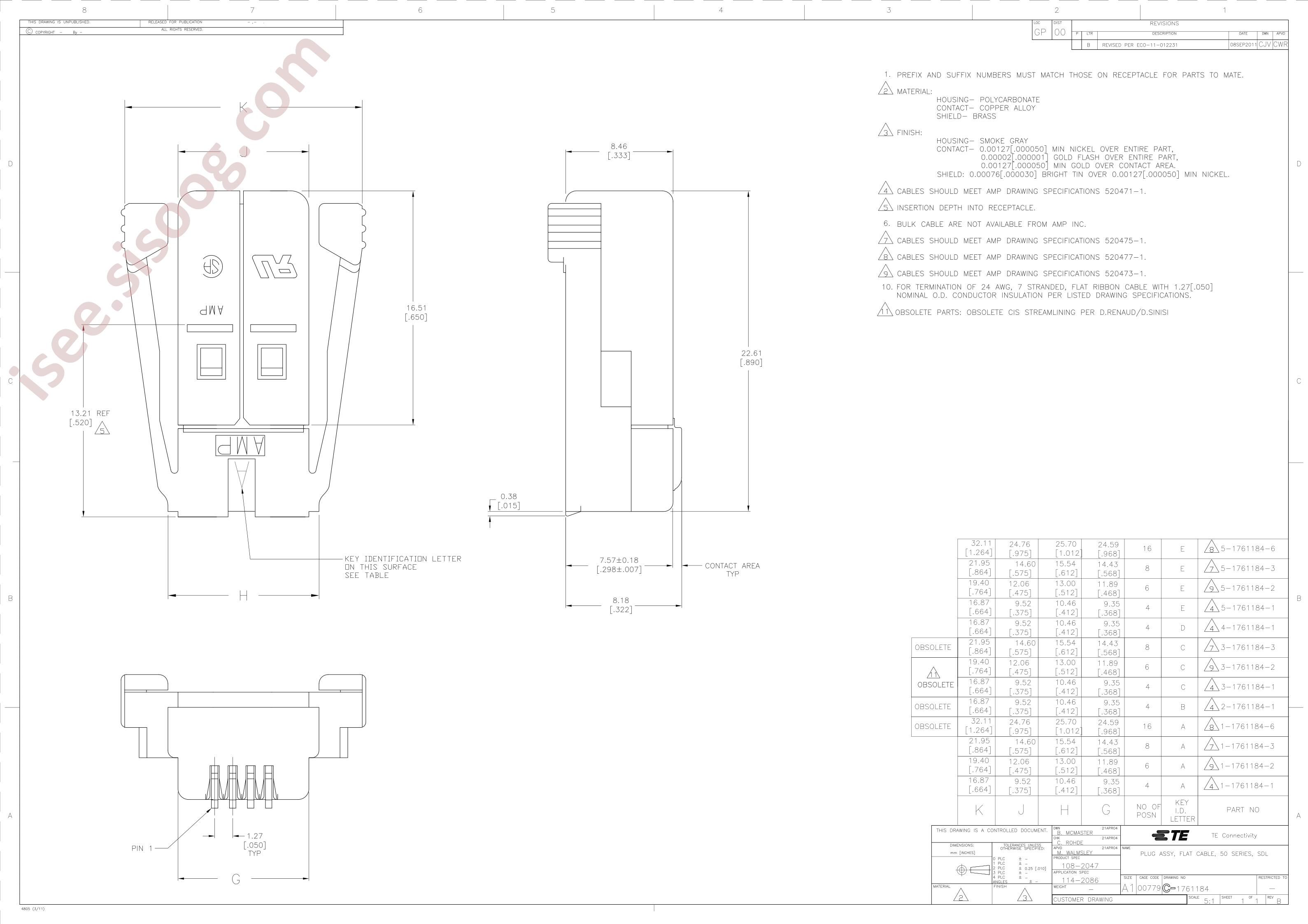
- دیتاشیت 2-1761184-1
دیتاشیت 2-1761184-1
مشخصات دیتاشیت
| نام دیتاشیت | 2-1761184-1 |
|---|---|
| حجم فایل | 129.446 کیلوبایت |
| نوع فایل | |
| تعداد صفحات | 1 |
دانلود دیتاشیت 2-1761184-1 |
2-1761184-1 Datasheet |
|---|
مشخصات
- Manufacturer: MACOM
- Part id: 522431