- صفحه اصلی
- دانلود دیتاشیت
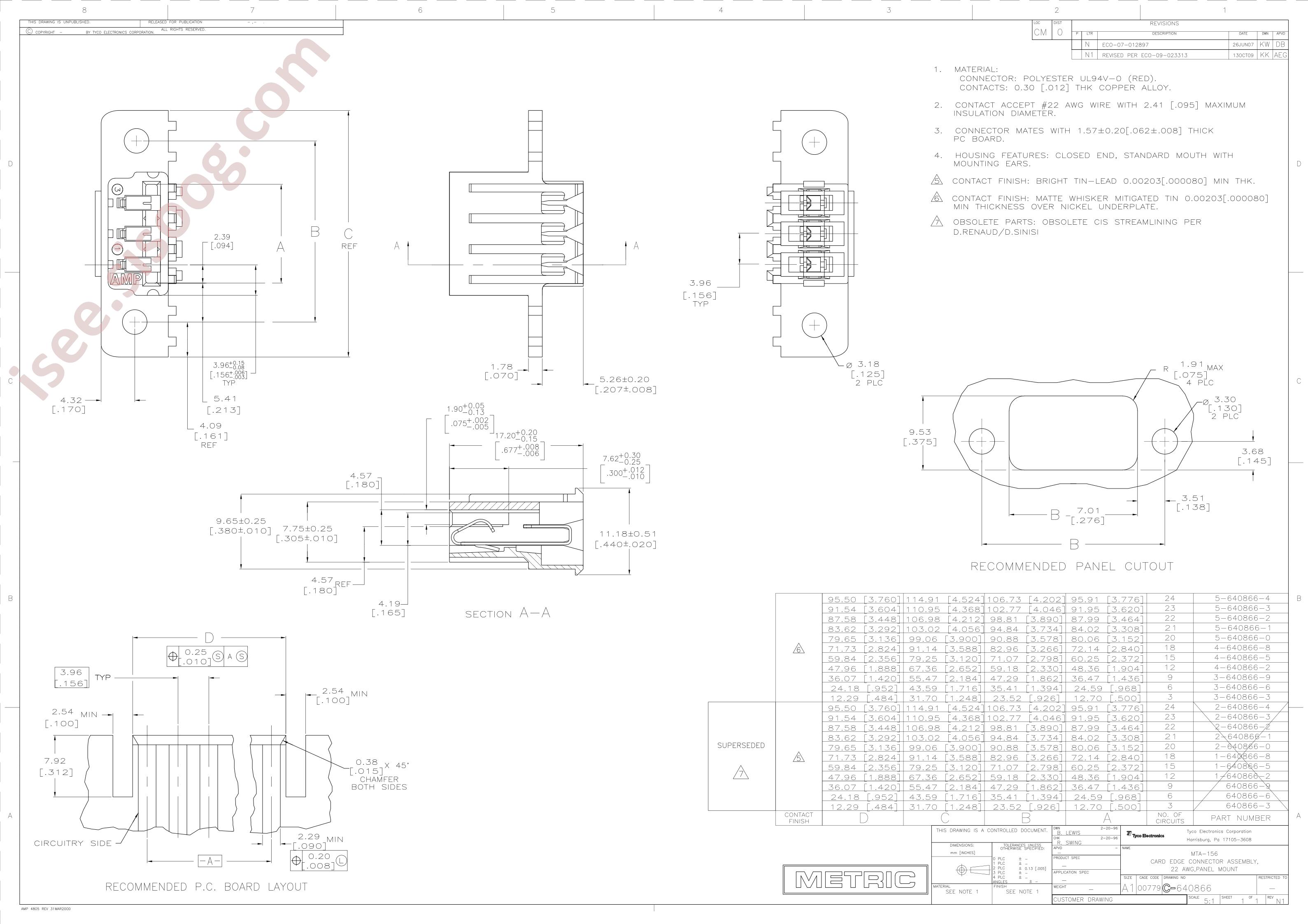
- دیتاشیت 4-640866-8
4-640866-8 دیتاشیت
مشخصات دیتاشیت
| نام دیتاشیت | 4-640866-8 |
|---|---|
| حجم فایل | 190.889 کیلوبایت |
| نوع فایل | |
| تعداد صفحات | 1 |
دانلود دیتاشیت 4-640866-8 |
دانلود دیتاشیت |
|---|
سایر مستندات
مستندات دیگری یافت نشد!
مشخصات فنی
- Manufacturer: MACOM
- Part id: 523165
