- صفحه اصلی
- دانلود دیتاشیت
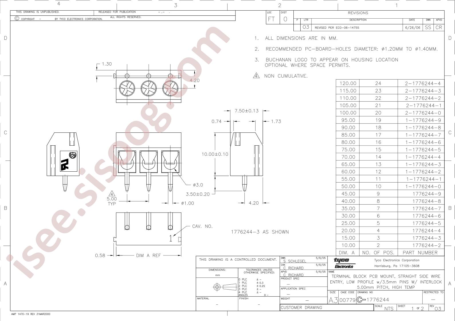
- دیتاشیت 1-1776244-9
1-1776244-9 دیتاشیت
مشخصات دیتاشیت
| نام دیتاشیت | 1-1776244-9 |
|---|---|
| حجم فایل | 162.447 کیلوبایت |
| نوع فایل | |
| تعداد صفحات | 2 |
دانلود دیتاشیت 1-1776244-9 |
دانلود دیتاشیت |
|---|
سایر مستندات
مستندات دیگری یافت نشد!
مشخصات فنی
- Manufacturer: MACOM
- Part id: 349341
