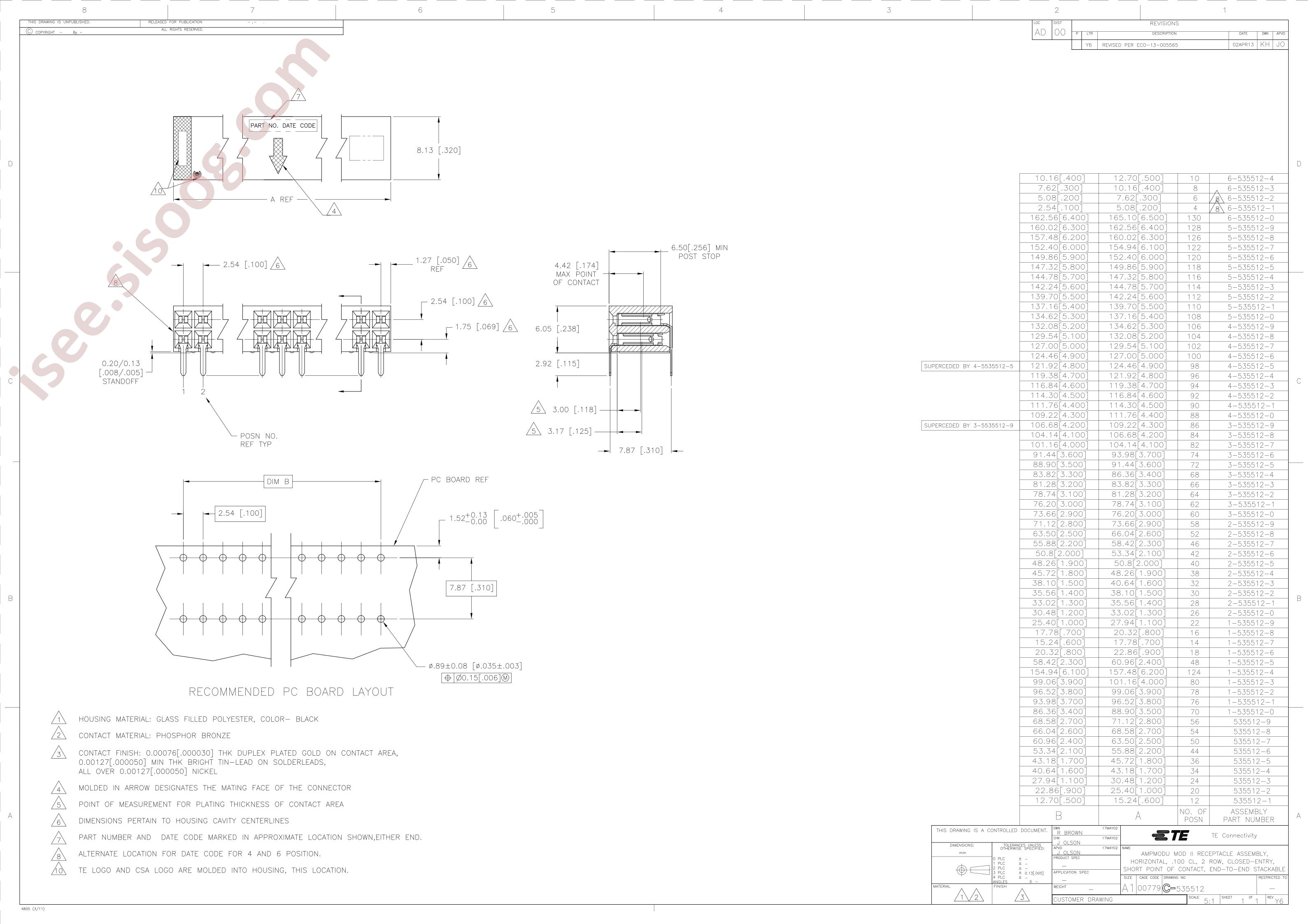
2-535512-0 دیتاشیت

2-535512-0

مشخصات دیتاشیت

نام دیتاشیت 2-535512-0
حجم فایل 217.464 کیلوبایت
نوع فایل pdf
تعداد صفحات 1

دانلود دیتاشیت 2-535512-0

دانلود دیتاشیت

سایر مستندات

مستندات دیگری یافت نشد!

مشخصات فنی

  • Manufacturer: MACOM
  • Part id: 538717