- صفحه اصلی
- دانلود دیتاشیت
- دیتاشیت HCT226JY-2
دیتاشیت HCT226JY-2
مشخصات دیتاشیت
نام دیتاشیت | HCT226JY-2 |
---|---|
حجم فایل | 64.799 کیلوبایت |
نوع فایل | |
تعداد صفحات | 2 |
دانلود دیتاشیت HCT226JY-2 |
HCT226JY-2 Datasheet |
---|
مشخصات
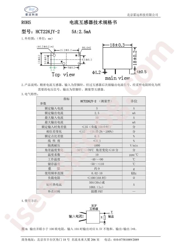
- RoHS: true
- Category: Inductors/Coils/Transformers/Current Transformers
- Datasheet: Beijing Hop Tech HCT226JY-2
- Current Ratio: 2000:1
- Current Rating: 5A
- High Potential: 4000V@AC
- Frequency Range: 0.02kHz~10kHz
- DCR Primary Side (Max): -
- DCR Secondary Side (Max): 140Ω
- Secondary Side Inductance: -
- Package: Plugin
- Manufacturer: Beijing Hop Tech