- صفحه اصلی
- دانلود دیتاشیت
- دیتاشیت Power Products Catalog
Power Products Catalog دیتاشیت
مشخصات دیتاشیت
| نام دیتاشیت | Power Products Catalog |
|---|---|
| حجم فایل | 4147.625 کیلوبایت |
| نوع فایل | |
| تعداد صفحات | 40 |
دانلود دیتاشیت Power Products Catalog |
دانلود دیتاشیت |
|---|
سایر مستندات
APT75GN60LDQ3(G) 9 pages
مشخصات فنی
- Manufacturer: Microchip Technology
- Series: -
- Packaging: Tube
- Part Status: Active
- IGBT Type: Trench Field Stop
- Voltage - Collector Emitter Breakdown (Max): 600V
- Current - Collector (Ic) (Max): 155A
- Current - Collector Pulsed (Icm): 225A
- Vce(on) (Max) @ Vge, Ic: 1.85V @ 15V, 75A
- Power - Max: 536W
- Switching Energy: 2500µJ (on), 2140µJ (off)
- Input Type: Standard
- Gate Charge: 485nC
- Td (on/off) @ 25°C: 47ns/385ns
- Test Condition: 400V, 75A, 1Ohm, 15V
- Operating Temperature: -55°C ~ 175°C (TJ)
- Mounting Type: Through Hole
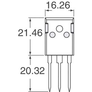
- Package / Case: TO-264-3, TO-264AA
- Supplier Device Package: TO-264 [L]
- detail: IGBT Trench Field Stop 600V 155A 536W Through Hole TO-264 [L]
