BT131 Datasheet

BT131

Datasheet specifications

Datasheet's name BT131
File size 78.184 KB
File type pdf
Number of pages 3

Download Datasheet BT131

Download Datasheet

Other documentations

BT131 7 pages

BT131 4 pages

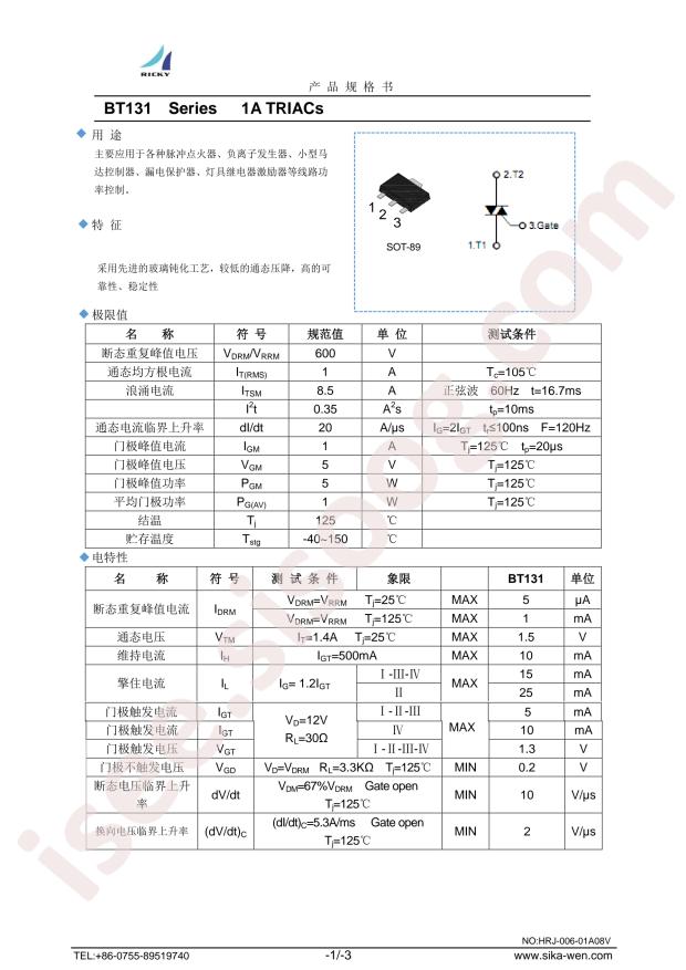
Technical specifications

  • RoHS: true
  • Category: Triode/MOS Tube/Transistor/TRIACs
  • Datasheet: Collective Semiconductor Technology BT131
  • Package: TO-92
  • Manufacturer: Collective Semiconductor Technology
  • SCR Type: 1个双向可控硅
  • Holding Current (Ih): 5mA
  • Operating Temperature: -40°C~+125°C
  • RMS On-State Current(It (rms)): 1A
  • Peak Forward On?State Voltage (Vtm): 1.5V
  • Average Gate Power Dissipation (PG(AV)): 0.3W
  • Peak Repetitive Off?State Voltage (Vdrm): 600V
  • Peak non-repetitive surge current (Itsm@f): 12A

Similar products