- صفحه اصلی
- دانلود دیتاشیت
- دیتاشیت MPX2102, MPXV2102G Series
MPX2102, MPXV2102G Series دیتاشیت
مشخصات دیتاشیت
| نام دیتاشیت | MPX2102, MPXV2102G Series |
|---|---|
| حجم فایل | 366.042 کیلوبایت |
| نوع فایل | |
| تعداد صفحات | 17 |
دانلود دیتاشیت MPX2102, MPXV2102G Series |
دانلود دیتاشیت |
|---|
سایر مستندات
مستندات دیگری یافت نشد!
مشخصات فنی
- Manufacturer: NXP USA Inc.
- Series: MPX2102
- Part Status: Obsolete
- Applications: Board Mount
- Pressure Type: Vented Gauge
- Operating Pressure: 14.5PSI (100kPa)
- Output Type: Wheatstone Bridge
- Output: 0 mV ~ 40 mV (10V)
- Accuracy: -0.6% ~ 0.4%
- Voltage - Supply: 10V ~ 16V
- Port Size: Male - 0.19" (4.93mm) Tube
- Port Style: Barbed
- Features: Temperature Compensated
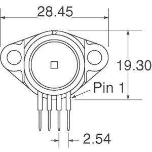
- Termination Style: PC Pin
- Maximum Pressure: 58.02PSI (400kPa)
- Operating Temperature: -40°C ~ 125°C
- Package / Case: 4-SIP Module
- Supplier Device Package: -
- Base Part Number: MPX21
- detail: Pressure Sensor 14.5PSI (100kPa) Vented Gauge Male - 0.19" (4.93mm) Tube 0 mV ~ 40 mV (10V) 4-SIP Module
